montering af spændigsregulator på puch maxi {{forumTopicSubject}}
Hej håber der en venlig sjæl som kan hjælpe
jeg har døjet meget med pærer der springer på min maxi. Derfor blev jeg anbefalet at købe denne spændingsregulator: https://www.thansen.dk/scooter-knallert-mc/knallert-og-scooterdele/yamaha/jog-r-rr/elektriske-komponenter/spaendingsregulator-jog-r/n1706576440/pn-245552568/
men hvordan skal den sættes til maxiens ledningsnet?
aug 2004
Følger: 29 Følgere: 38 Scootere: 3 Emner: 153 Svar: 2.782
Har selv lige smidt den på Jog R. Var et helved
aug 2004
Følger: 29 Følgere: 38 Scootere: 3 Emner: 153 Svar: 2.782
aug 2004
Følger: 29 Følgere: 38 Scootere: 3 Emner: 153 Svar: 2.782
feb 2018
Følger: 1 Emner: 3 Svar: 11
Hvis vi har spændingsregulatoren (se billede) med de 4 stik, hvilke stik skal kobles til hvor på mit ledningsnet? - se billede
feb 2018
Følger: 1 Emner: 3 Svar: 11
sep 2006
Følger: 3 Følgere: 482 Scootere: 7 Emner: 71 Svar: 36.711
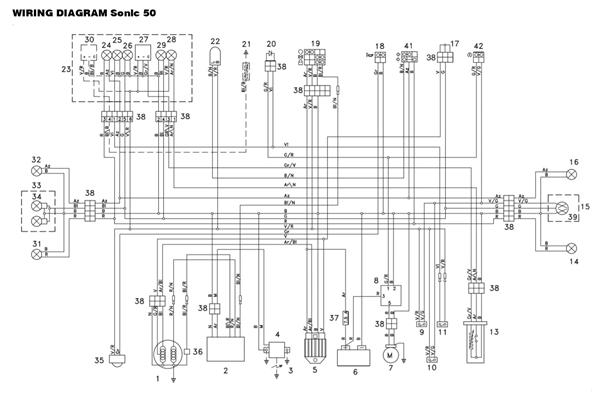
2 skal på stel.
Husk at dit lys ALTID skal være tændt, ellers så skal du have en lysmodstand på.
Jeg måtte lige ind og i mit fotoalbum.
Der finder du et diagram over en Sonic.
3 og 4 skal du ikke bruge, da du ikke har batteri på.
feb 2018
Følger: 1 Emner: 3 Svar: 11
sep 2006
Følger: 3 Følgere: 482 Scootere: 7 Emner: 71 Svar: 36.711
Har du testet det?
feb 2018
Følger: 1 Emner: 3 Svar: 11
sep 2006
Følger: 3 Følgere: 482 Scootere: 7 Emner: 71 Svar: 36.711
Hvor mange watt har du i din forlygte?
Hvor mange watt har du i din baglygte?
feb 2018
Følger: 1 Emner: 3 Svar: 11
og en 12v 10w pære (halogen) bagi
og selv med spændingsregulatoren giver de rigeligt lys - kunne dog overveje at sætte forpæren til en 12v .
sep 2006
Følger: 3 Følgere: 482 Scootere: 7 Emner: 71 Svar: 36.711
Så lyser den jo kun som en 17,5 watt.
Skift den til en 12 volt 25 watt.
Din bagpære skal kun være på 5 watt.
Kommer du op på 10 watt halogen, så vil den jo lyse som bremselys.
feb 2018
Følger: 1 Emner: 3 Svar: 11
jeg ved godt at bagpæren er lidt stærkere, jeg kan bare godt lide at man kan se knallerten på afstand.
jeg siger i alt fald mange tak for hjælpen, jeg har kørt på den en del ture nu, og det ser ud til at holde
sep 2006
Følger: 3 Følgere: 482 Scootere: 7 Emner: 71 Svar: 36.711
Det har meget at sige, når man kører om natten.
montering af spændigsregulator på puch maxi