{{ getTotalHits() | thousandNumberSeperatorFilter }} resultater Filter
{{group.groupName}}

{{ group.groupName }}

Medlemmer: {{group.memberCount}}
Forside Forum Medlemmer Annoncer {{ group.itemMoreItems }}
1.687 visninger | Oprettet:

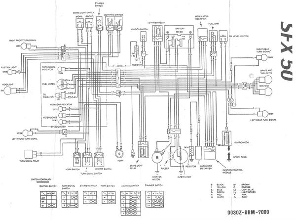
Lednings nettet {{forumTopicSubject}}

Søger akut hjælp.

Nogen knallerter genier nær Nordsjælland som har styr på lednings nettet på en Honda sfx . Står med det problem at der ikke kommer strøm til tændspolen - tændhætten, og dermed ingen gnist. Der strøm i cdi indgang, strøm i begge sorte bokse , og strøm i de fleste indgange ved batteri, men der en grøn ledning ved udtaget til batteriet , hvor der ikke kommer strøm, og der går den ene grønne ledning mod stator kablet, og den anden mod tænsspolen . Hvordan ordner man det problem ?


Handyhand

Få billig hjælp fra private

Beskriv din opgave og modtag gratis bud fra lokale med Handyhand.

Seneste udførte opgaver

  • Opsætning af lamper 900 kr.
  • Cover holes in walls and ceiling 1.000 kr.
  • Hoved og terasse dør lukker ikke ordentligt 1.300 kr.
  • Lavet et makeup bord 750 kr.
  • Ophæng af TV og ophæng af lamper 1.485 kr.
  • Fixe opvaskemaskine der lækker vand 1.090 kr.

Opret en opgave

Kommentarer på:  Lednings nettet
  • #1   4. okt 2016 tror du skal sende den på værksted i stedet for selv at rode med den men find et el diagram og link til det så kan jeg måske hjælpe men det hjælper ikke bare at kalde det sorte bokse vi aner jo ikke hvad du snakker om

  • #2   4. okt 2016 Jeg troede det var sikrings boksne. Men på selve diagrammet, står der olie og benzin bokse. Kunne jeg bare ikke forstille mig det var. Har siddet og kigget på det diagram, men det gør mig blot endnu mere forvirret

    profilbillede
  • #3   4. okt 2016 Overvejer også værksted, men budgettet er lavt denne mdr. Og det er mit hverdags transport middel. Så hvis jeg selv kunne løse det, ville det være fantastisk, men lige nu ser det sort ud, da det eneste jeg ikke har prøvet før, er lednings nettet .

  • #4   4. okt 2016

    profilbillede
  • #5   4. okt 2016 Der som sagt strøm ved de 2 bokse , og cdi og alle ledninger ved batteriet , pånær 2 grønne ved batteriet klikkeren der, som går ned mod stator stikket og op mod tændspolen

  • #6   4. okt 2016 Det liner mere et start relæ men kikker på diagram i morgen når jeg kommer hjem

  • #7   4. okt 2016 Kan godt ske at det er relæ, men der kommer hvertfald strøm ved dem man klikker dem på.

    Og på forhånd tusind tak for hjælpen :)??


  • #8   5. okt 2016 Defekt cdi eller stator er mit bud

  • #9   10. okt 2016 Har nu skiftet til andet ledningsnet og stator . Og der stadig ingen gnist . Forstår det ikke ?

  • #10   10. okt 2016 Nye eller brugte dele?

  • #11   10. okt 2016 Brugt. Men i forhold til det gamle ledningsnet, er alle ledningerne på det nye intakte . Det gamle ledningsnet, var den hvide ledning fra stator sat sammen med gaffatape, og ledninger nede ved stator var også sat sammen.

    Forstår virkelig ikke hvad der kan være galt ,. Har også prøvet med andet batteri, før lyste olie lampen lidt, nu lyser den slet ikke. Har prøvet med ny cdi, nye sikringer, nye relæ bokse ved batteriet . Har slibet svinghjulet med fint sandpapir . Der intet der virker


    profilbillede
  • #12   10. okt 2016 Så ved du jo ikke om de nye brugte dele virker.

  • #13   10. okt 2016 Har du ret i. Men med det gamle batteri og ledningsnet stoppede olie lampen også med at lyse , og lyser heller ikke med det nye. Men skal tjekke det nye med et multimeter imorgen . Tænker bare , burde den ikke kunne gniste alligevel , selvom der ikke er strøm i batteri eller ledningsnet ?

  • #14   10. okt 2016 Lyder som stator. Hvor er du fra i landet?

  • #15   10. okt 2016 Er fra Værløse,. Og har ikke råd pt til at kunne tage den til en mekaniker, så sætter allerede nu stor pris på din hjælp. men hvad kan man kigge efter på stator for at finde problemet der ? Syns den ser meget fin ud den nye jeg har fået mig . Tror du det kan være evt motor problemer ?

  • #16   10. okt 2016 Okay havde du boet tæt på mig, kunne du bare ha været kommet forbi med den. Men bor langt væk fra dig.

    Det er enten cdi, tændspole, stator eller ledningsnet der er færdig. Måske bare tændrøret, hvis du er heldig


  • #17   10. okt 2016 Har prøvet at tage diverse ting fra min kammerats sfx, såsom , cdi - relæ og sikringer . Men intet har hjulpet . Købte derfor stator og ledningsnet brugt, da de gamle ledningsnet var nogen af ledningerne sat sammen med tape og andet . Det nye ledningsnet ser ikke ud til at fejle noget , og heller ikke statoren . Det eneste som jeg ikke har prøvet at skifte er selve tændspolen, eller jo, har dog prøvet at tage en fungerende tændspolen fra en pgo , samt tændhætte og nyt tændrør, men gav stadig intet .. prøver at skille motoren ad imorgen, og se om jeg kan finde fejlen .

    Det trist vi ikke bor tættere på hinanden . Kunne virkelig godt bruge en hånd, men takker mange gange for din tid og hjælpsomhed . :)??


  • #18   10. okt 2016 Det er ikke motoren som gør at den ikke gnister.

    Men hvorfor ikke prøve alt fra din vens sfx, indtil du finder fejlen?


  • #19   12. okt 2016 Nu har jeg fået strøm igennem fra tænding og videre, ved ikke lige hvordan jeg har gjort det. Det eneste sted jeg ikke kan måle strømmen er i den grønne ledning hvor tænfspolen skal sidde på, men den sorte ledning hvor tændspolen også skal sidde, gir udslag.

    Skal lige høre , når jeg klikker stator ledningen fra, er der ikke strøm nogen steder, levere statoren strøm til resten af ledningsnettet?

    Har stadig ikke fået tændrøret til at gniste. Ved ikke om det kan have noget med svinghjulet at gøre, eller om det er en løs forbindelse , selvom jeg har gennemgået hele ledningsnettet. Der sidder en jern ting, man skal klikke noget fra statoren ledningen på, på selve motore blokken, ved nogen hvad den gør godt for ?


  • #20   12. okt 2016 Ja stator levere strøm til det hele

  • #21   12. okt 2016 Cool. Så stator fungere vel som den skal ?

    Gir stadig ingen mening der ingen gnist er .

    Hvis magnetismen på svinghjulet ikke er god nok, kan det have noget med gnisten at gøre?

    Og prøvede at flytte den grønne ledning som går i statoren ledningnet, hen på noget andet sted på stellet, og der blev strømmen bedre .

    Der er også en sort ledning fra stator ledningen som skal klikkes på en jern dut , på motoren , ved du hvad den gør godt for ?

    Og olie lampen lyste på speedometer før hen, selvom jeg ikke havde gnist , det gør den ikke nu, selvom der strøm igennem tingene . Det et rigtig mysterium det her ??


  • #22   13. okt 2016 Læg billeder op af de stik du snakker om

  • #23   14. okt 2016

    profilbillede
  • #24   14. okt 2016

    profilbillede
  • #25   14. okt 2016 Den metal dut som stikker ud fra motorer blokken , kan man klikke en sort ting fast på, fra stator ledningen , men hvad gør den godt for ?

Kommentér på:
Lednings nettet

Annonce