2.689 visninger
|
Oprettet:
Jog R - EL {{forumTopicSubject}}
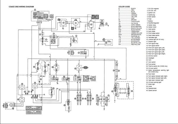
ja nogen der har et Ledningsdiagram på sådanne en Riskoger?
for intet el virker på min Pjok'r
og ledningerne omkr bat. ser ik helt raske ud. / korrekte ud
eller nogen der kender til det med ledningerne ved batteriet. på sådanne en .... ting ting scooter
Online Tilmeldt:
jan 2012
Følger: 12 Følgere: 54 Scootere: 4 Emner: 13 Svar: 6.143
jul 2007
Følger: 258 Følgere: 273 Scootere: 157 Emner: 1.180 Svar: 9.855
vil gøre en undtagelse
ellers giver jeg normalt ik høj på Jog R'e (eller andre Kamaha'er for den sags skyld)
Online Tilmeldt:
jan 2012
Følger: 12 Følgere: 54 Scootere: 4 Emner: 13 Svar: 6.143
http://peecee.dk/upload/view/401674/full
Online Tilmeldt:
jan 2012
Følger: 12 Følgere: 54 Scootere: 4 Emner: 13 Svar: 6.143
jul 2007
Følger: 258 Følgere: 273 Scootere: 157 Emner: 1.180 Svar: 9.855
det os langt over hans sengetid
Online Tilmeldt:
jan 2012
Følger: 12 Følgere: 54 Scootere: 4 Emner: 13 Svar: 6.143
jul 2007
Følger: 258 Følgere: 273 Scootere: 157 Emner: 1.180 Svar: 9.855
men jeg vil nu mere tro alt ALT på en hot er mere holdbart.
Jog R - EL