{{ getTotalHits() | thousandNumberSeperatorFilter }} resultater Filter

Kreidler 1,2 - 2 gears (solgt)

Tilbage til Kreidler 1,2 - 2 gears (solgt)

Kreidler 1,2 - 2 gears (solgt) - der medfølger 4 skærme med! billede 1
Kreidler 1,2 - 2 gears (solgt) - motor´en inde fra billede 2
Kreidler 1,2 - 2 gears (solgt) - motor´en inde fra igen (: billede 3
Kreidler 1,2 - 2 gears (solgt) - tun karburator og filter (: billede 4
Kreidler 1,2 - 2 gears (solgt) - tun cyllinder billede 5
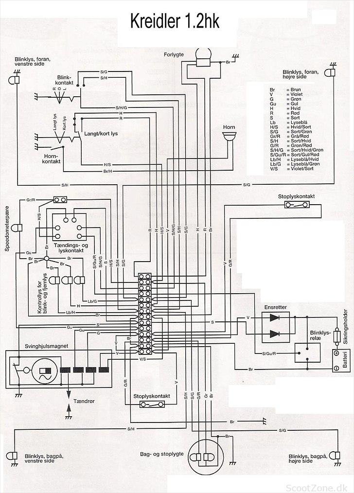
Kreidler 1,2 - 2 gears (solgt) - et ledningsdiagram over en kreidler 1,2 billede 6
Annonce