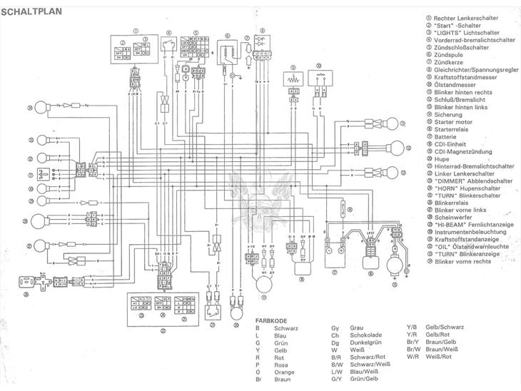
Ledningsdiagram
15.081 visninger
|
Oprettet:
Ledningsdiagram til div scootere/knallerter

Ledningsdiagram
Der er endnu ikke skrevet kommentarer