{{ getTotalHits() | thousandNumberSeperatorFilter }} resultater Filter

Mange ledningsnet

Tilbage til Mange ledningsnet

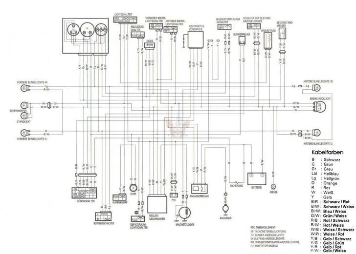
Mange ledningsnet - Yamaha Bws / Booster / Slider ledningsnet :) billede 1
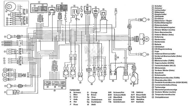
Mange ledningsnet - Sr50 2002 / Rally billede 2
Mange ledningsnet - Aerox billede 3
Mange ledningsnet - Jog billede 4
Mange ledningsnet - Katana billede 5
Mange ledningsnet - Italjet Formula 50 billede 6
Mange ledningsnet - Gilera DNA billede 7
Mange ledningsnet - NRG MC3 billede 8
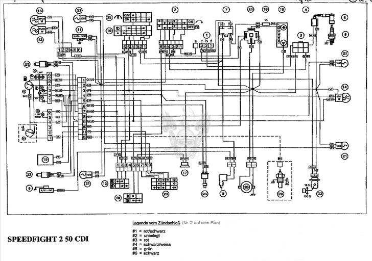
Mange ledningsnet - Speedfight 2 billede 9
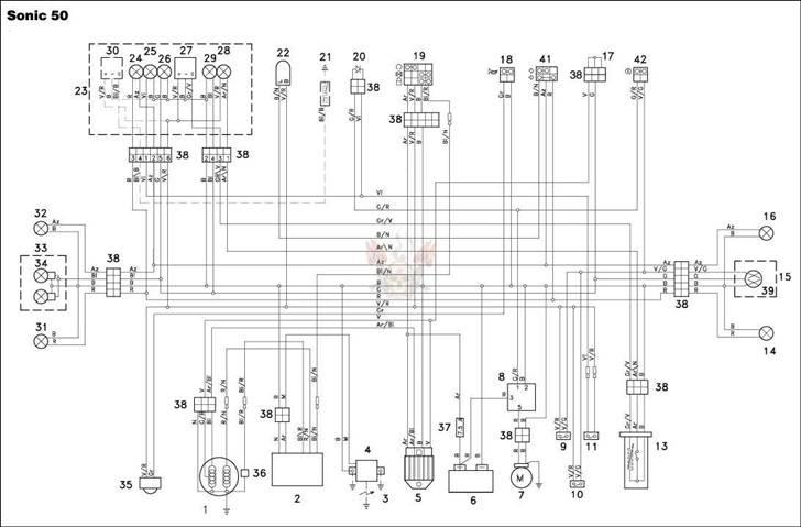
Mange ledningsnet - Sonic FØR 02 billede 10
Mange ledningsnet - Street Magic billede 11
Mange ledningsnet - Runner billede 12
Mange ledningsnet - Zip billede 13
Mange ledningsnet - Sfx billede 14
Mange ledningsnet - Rmx billede 15
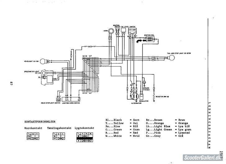
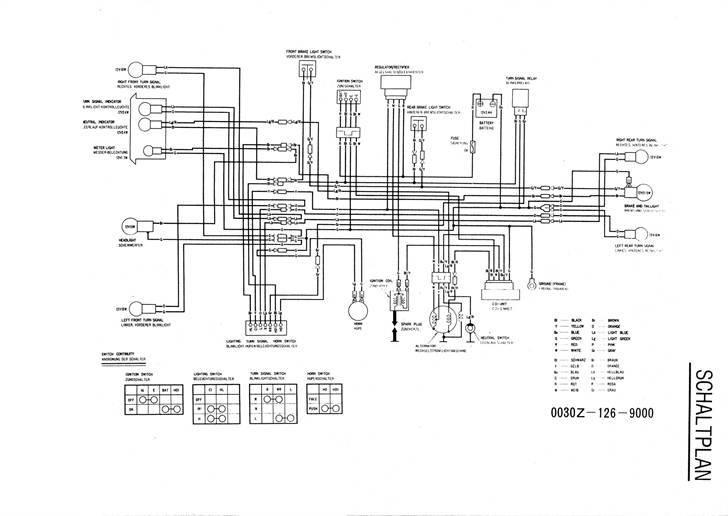
Mange ledningsnet - Honda Dax 6V billede 16
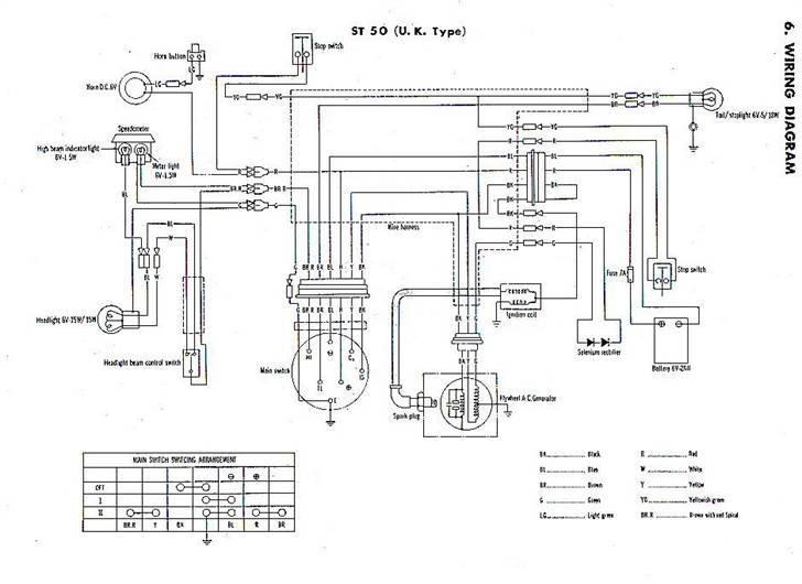
Mange ledningsnet - Honda Dax 12V billede 17
Mange ledningsnet - Honda Melody Mini billede 18
Annonce